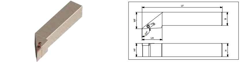
Державки SVJB для наружной обработки

| Название | Основные размеры (мм) |
Запасные части | ||||||
| H | B | HF | LF | LH | WF | Винт | Отвертка | |
| SVJBR/L 2020K-11 | 20 | 20 | 20 | 125 | 30 | 25 | SP025065 | FT-TP08 |
| SVJBR/L 2020K-16 | 20 | 20 | 20 | 125 | 30 | 25 | SP040090-X | FT-TP15 |
| SVJBR/L 2525M-16 | 25 | 25 | 25 | 150 | 30 | 25 | ||
| Тип обработки | Чистовая | Чистовая | Чистовая | Чистовая | Чистовая-Получистовая |
![]() |
![]() |
![]() |
![]() |
![]() |
|
| SVJBR/L...11/11F | VBET 1103 | VBET 1103 | VBET 1103 | VBGT 1103 | VBGT 1103 |
| SVJBR/L...-16 | VBET 1604 | VBET 1604 | VBET 1604 | VBGT 1604 | VBGT 1604 |
Заказать можно по телефонам