Режущие пластины для глубокого сверления EPMT с геометриями DH и DL
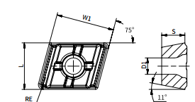
Центральная пластина | Обозначение пластины | L | W1 | S | RE | D1 |
![]() |
EPMT 050308C-DH AP301U (N) | 5.56 | 8 | 3.18 | 0.8 | 2.5 |
EPMT 06T308C-DH AP301U (N) | 6.35 | 9.87 | 3.97 | 0.8 | 2.8 | |
EPMT 08T308C-DH AP301U (N) | 7.94 | 9.87 | 3.97 | 0.8 | 2.8 | |
EPMT 10T308C-DH AP301U (N) | 9.53 | 9.87 | 3.97 | 0.8 | 2.8 | |
EPMT 12T308C-DH AP301U (N) | 12.7 | 9.87 | 3.97 | 0.8 | 2.8 |
Центральная пластина | Обозначение пластины | L | W1 | S | RE | D1 |
![]() |
EPMT 050308I-DH AP301U (N) | 5.56 | 8 | 3.18 | 0.8 | 2.5 |
EPMT 06T308I-DH AP301U (N) | 6.35 | 9.87 | 3.97 | 0.8 | 2.8 | |
EPMT 08T308I-DH AP301U (N) | 7.94 | 9.87 | 3.97 | 0.8 | 2.8 | |
EPMT 12T308I-DH AP301U (N) | 12.7 | 9.87 | 3.97 | 0.8 | 2.8 |
Центральная пластина | Обозначение пластины | L | W1 | S | RE | D1 |
![]() |
EPMT 050308I-DL AP301U (N) | 5.56 | 8 | 3.18 | 0.8 | 2.5 |
EPMT 06T308I-DL AP301U (N) | 6.35 | 9.87 | 3.97 | 0.8 | 2.8 | |
EPMT 08T308I-DL AP301U (N) | 7.94 | 9.87 | 3.97 | 0.8 | 2.8 | |
EPMT 12T308I-DL AP301U (N) | 12.7 | 9.87 | 3.97 | 0.8 | 2.8 |
Заказать можно по телефонам