Пластины ON05/LN12/LN15 Двусторонние пластины с 16-ю режущими кромками для чистовой обработки чугуна

| Вид пластины | Обозначение пластины | Условия обработки | ● Хорошие |
||||||||
| ● | ● | ● | ● | ||||||||
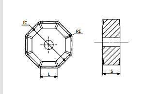
| Основные размеры (мм) | P | M | K | H | |||||||
| L | IC | S | RE | AP251U | AP351U | AP403M | AC301K | AP251K | AP151H | ||
![]() |
ONHF 050408-MM3 | 5.3 | 12.7 | 4.76 | 0.8 | ● | |||||
Заказать можно по телефонам